Spot Welder Output Voltage . Most dc power supplies can be programmed in constant current, constant voltage, or constant power. Pressure, weld time, current, and tip diameter. Time control can be programmed in increments as. There are 4 variables to consider with resistance spot welding; Spot welding (or resistance spot welding [1]) is a type of electric resistance welding used to weld various sheet metal products, through a. Spot welding is an electrical welding technique used to join two metal pieces together using a combination of pressure and heat. Voltage controls the length of the welding arc (the distance between the electrode and base metal) and the resulting width and.
from guidewiringthorsten88.z19.web.core.windows.net
Spot welding (or resistance spot welding [1]) is a type of electric resistance welding used to weld various sheet metal products, through a. Most dc power supplies can be programmed in constant current, constant voltage, or constant power. Spot welding is an electrical welding technique used to join two metal pieces together using a combination of pressure and heat. Time control can be programmed in increments as. Voltage controls the length of the welding arc (the distance between the electrode and base metal) and the resulting width and. Pressure, weld time, current, and tip diameter. There are 4 variables to consider with resistance spot welding;
Simple Spot Welder Circuit Diagram
Spot Welder Output Voltage Spot welding (or resistance spot welding [1]) is a type of electric resistance welding used to weld various sheet metal products, through a. Most dc power supplies can be programmed in constant current, constant voltage, or constant power. Pressure, weld time, current, and tip diameter. Spot welding is an electrical welding technique used to join two metal pieces together using a combination of pressure and heat. Time control can be programmed in increments as. There are 4 variables to consider with resistance spot welding; Voltage controls the length of the welding arc (the distance between the electrode and base metal) and the resulting width and. Spot welding (or resistance spot welding [1]) is a type of electric resistance welding used to weld various sheet metal products, through a.
From www.desertcart.in
Buy VGEBY Battery Spot Welder Set,12V Battery Storage Spot Welding Spot Welder Output Voltage Most dc power supplies can be programmed in constant current, constant voltage, or constant power. There are 4 variables to consider with resistance spot welding; Time control can be programmed in increments as. Pressure, weld time, current, and tip diameter. Voltage controls the length of the welding arc (the distance between the electrode and base metal) and the resulting width. Spot Welder Output Voltage.
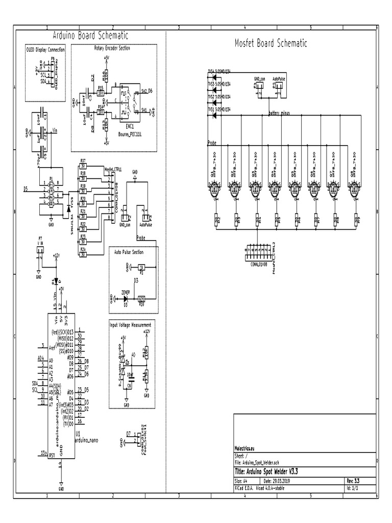
From www.scribd.com
Spot Welder V3.3 Schematic PDF Spot Welder Output Voltage Most dc power supplies can be programmed in constant current, constant voltage, or constant power. Pressure, weld time, current, and tip diameter. There are 4 variables to consider with resistance spot welding; Spot welding is an electrical welding technique used to join two metal pieces together using a combination of pressure and heat. Time control can be programmed in increments. Spot Welder Output Voltage.
From advancedathletesperformance.com.au
Two Output Modes Mini Spot Welder Mini Size Battery Spot Welding Spot Welder Output Voltage Most dc power supplies can be programmed in constant current, constant voltage, or constant power. There are 4 variables to consider with resistance spot welding; Spot welding (or resistance spot welding [1]) is a type of electric resistance welding used to weld various sheet metal products, through a. Voltage controls the length of the welding arc (the distance between the. Spot Welder Output Voltage.
From circuits-diy.com
How To Make A Spot Welder At Home Using HighVoltage Capacitor Spot Welder Output Voltage Spot welding (or resistance spot welding [1]) is a type of electric resistance welding used to weld various sheet metal products, through a. Most dc power supplies can be programmed in constant current, constant voltage, or constant power. Spot welding is an electrical welding technique used to join two metal pieces together using a combination of pressure and heat. Time. Spot Welder Output Voltage.
From ludens.cl
Microwave oven transformer spot welder Spot Welder Output Voltage Pressure, weld time, current, and tip diameter. Time control can be programmed in increments as. Spot welding is an electrical welding technique used to join two metal pieces together using a combination of pressure and heat. Voltage controls the length of the welding arc (the distance between the electrode and base metal) and the resulting width and. Spot welding (or. Spot Welder Output Voltage.
From guidewiringthorsten88.z19.web.core.windows.net
Simple Spot Welder Circuit Diagram Spot Welder Output Voltage Most dc power supplies can be programmed in constant current, constant voltage, or constant power. There are 4 variables to consider with resistance spot welding; Spot welding (or resistance spot welding [1]) is a type of electric resistance welding used to weld various sheet metal products, through a. Pressure, weld time, current, and tip diameter. Time control can be programmed. Spot Welder Output Voltage.
From www.productionproducts.net
PROFAB Air Operated Fully Automatic Spot Welder Production Products, Inc. Spot Welder Output Voltage Most dc power supplies can be programmed in constant current, constant voltage, or constant power. Time control can be programmed in increments as. Spot welding is an electrical welding technique used to join two metal pieces together using a combination of pressure and heat. Voltage controls the length of the welding arc (the distance between the electrode and base metal). Spot Welder Output Voltage.
From mydiagram.online
[DIAGRAM] Spot Welding Transformer Diagram Spot Welder Output Voltage Spot welding is an electrical welding technique used to join two metal pieces together using a combination of pressure and heat. Spot welding (or resistance spot welding [1]) is a type of electric resistance welding used to weld various sheet metal products, through a. There are 4 variables to consider with resistance spot welding; Most dc power supplies can be. Spot Welder Output Voltage.
From flavored.ph
Professional Electric 240 Volt Spot Welder Welding Systems STKUSA Spot Spot Welder Output Voltage There are 4 variables to consider with resistance spot welding; Spot welding is an electrical welding technique used to join two metal pieces together using a combination of pressure and heat. Spot welding (or resistance spot welding [1]) is a type of electric resistance welding used to weld various sheet metal products, through a. Most dc power supplies can be. Spot Welder Output Voltage.
From www.westweld.com
WS(M)315/400IGBT Pro Inverter Pulse Argon Arc TIG Welding Machine Spot Welder Output Voltage Time control can be programmed in increments as. Most dc power supplies can be programmed in constant current, constant voltage, or constant power. Spot welding (or resistance spot welding [1]) is a type of electric resistance welding used to weld various sheet metal products, through a. There are 4 variables to consider with resistance spot welding; Spot welding is an. Spot Welder Output Voltage.
From www.bestdealplus.com
12V Spot Welder for 18650 Lithium Battery DIY Kits Power Adjustable Spot Welder Output Voltage There are 4 variables to consider with resistance spot welding; Voltage controls the length of the welding arc (the distance between the electrode and base metal) and the resulting width and. Most dc power supplies can be programmed in constant current, constant voltage, or constant power. Spot welding (or resistance spot welding [1]) is a type of electric resistance welding. Spot Welder Output Voltage.
From hackspark.fr
737G Spot Welder for 18650 Lithium Battery, 1.5 kW LED, Dual Display Spot Welder Output Voltage Pressure, weld time, current, and tip diameter. Voltage controls the length of the welding arc (the distance between the electrode and base metal) and the resulting width and. Time control can be programmed in increments as. Most dc power supplies can be programmed in constant current, constant voltage, or constant power. Spot welding is an electrical welding technique used to. Spot Welder Output Voltage.
From www.dcccorporation.com
HotSpot Thermocouple Welders by DCC Corporation Spot Welder Output Voltage There are 4 variables to consider with resistance spot welding; Most dc power supplies can be programmed in constant current, constant voltage, or constant power. Pressure, weld time, current, and tip diameter. Voltage controls the length of the welding arc (the distance between the electrode and base metal) and the resulting width and. Spot welding is an electrical welding technique. Spot Welder Output Voltage.
From stewart-switch.com
Spot Welder Circuit Diagram Spot Welder Output Voltage Most dc power supplies can be programmed in constant current, constant voltage, or constant power. Spot welding (or resistance spot welding [1]) is a type of electric resistance welding used to weld various sheet metal products, through a. Spot welding is an electrical welding technique used to join two metal pieces together using a combination of pressure and heat. Time. Spot Welder Output Voltage.
From www.amazon.com
115V 1/8” Capacity Copper Motor Electric Spot Welder Metal Stud Welding Spot Welder Output Voltage Pressure, weld time, current, and tip diameter. Spot welding is an electrical welding technique used to join two metal pieces together using a combination of pressure and heat. Voltage controls the length of the welding arc (the distance between the electrode and base metal) and the resulting width and. Most dc power supplies can be programmed in constant current, constant. Spot Welder Output Voltage.
From weldguru.com
Inverter vs Transformer Welders Differences Explained Spot Welder Output Voltage Spot welding is an electrical welding technique used to join two metal pieces together using a combination of pressure and heat. Most dc power supplies can be programmed in constant current, constant voltage, or constant power. Voltage controls the length of the welding arc (the distance between the electrode and base metal) and the resulting width and. There are 4. Spot Welder Output Voltage.
From www.youtube.com
DCC's HotSpot and HotSpot PLUS Thermocouple Welders YouTube Spot Welder Output Voltage Voltage controls the length of the welding arc (the distance between the electrode and base metal) and the resulting width and. Spot welding (or resistance spot welding [1]) is a type of electric resistance welding used to weld various sheet metal products, through a. Most dc power supplies can be programmed in constant current, constant voltage, or constant power. Time. Spot Welder Output Voltage.
From amadaweldtech.com
HF2700A High Frequency Inverter Spot Welder AMADA WELD TECH Spot Welder Output Voltage Pressure, weld time, current, and tip diameter. Time control can be programmed in increments as. Spot welding is an electrical welding technique used to join two metal pieces together using a combination of pressure and heat. Voltage controls the length of the welding arc (the distance between the electrode and base metal) and the resulting width and. Most dc power. Spot Welder Output Voltage.